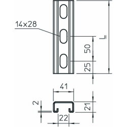
Schwere C-Profilschiene zur individuellen Installation von Tragekonstruktionen fuer z.B. Kabelrinnen oder als Konsole fuer Schaltschraenke. Auch verwendbar zur Kabelverlegung, in Verbindung mit Buegelschellen mit U-Fuss.
Angaben zur Produktsicherheit
Herstellerinformationen:
OBO Bettermann Holding GmbH & Co. KG
Hüingser Ring 52
Nordrhein-Westfalen
Menden, Deutschland, 58710
info@obo.de
https://www.obo.de/
| Produkteigenschaft |
Wert |
| Inhalt: |
1,00 Stk
|
Es gibt noch keine Bewertungen.