Zum Hauptinhalt springen Zur Suche springen Zum Menü springen

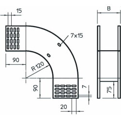
OBO Vertikalbogen RBV 120 F FS fallend

RBV 120 F FS fallend
80,69 €
inkl. 19% USt. , zzgl. Versand
   Verfügbar ab: 22.03.2026 (Vorbestellung möglich)
Stk
Bestseller in dieser Kategorie