Zum Hauptinhalt springen Zur Suche springen Zum Menü springen

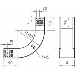
OBO Vertikalbogen RBV 640 S FS 90° steigend

RBV 640 S FS 90° steigend
109,76 €
inkl. 19% USt. , zzgl. Versand
   Verfügbar ab: 22.03.2026 (Vorbestellung möglich)
Stk
Bestseller in dieser Kategorie