Zum Hauptinhalt springen Zur Suche springen Zum Menü springen

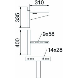
OBO Wand- und Klemmausleger AWSS 31 FT B310mm

AWSS 31 FT B310mm
205,40 €
inkl. 19% USt. , zzgl. Versand
   Verfügbar ab: 22.03.2026 (Vorbestellung möglich)
Stk
Bestseller in dieser Kategorie