Zum Hauptinhalt springen Zur Suche springen Zum Menü springen

Schneider Electric Platten

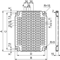
Schneider Electric PlattenPerforierte Monoblock H600xB800mm
79,37 €
inkl. 19% USt. , zzgl. Versand
   Verfügbar ab: 22.03.2026 (Vorbestellung möglich)
Stk