Zum Hauptinhalt springen Zur Suche springen Zum Menü springen

Schneider Electric Platten

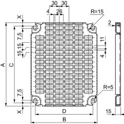
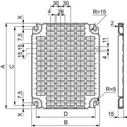
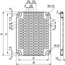
Schneider Electric PlattenPerforierte Monoblock H300xB400mm
21,04 €
inkl. 19% USt. , zzgl. Versand
   Verfügbar ab: 22.03.2026 (Vorbestellung möglich)
Stk